Descripción
CAMPO DE EMPLEO
La simple geometría es la principal característica de un o’ring (Arosello), que en conjunción con una correcta selección del material elastomérico arroja un eficiente y confiable sistema de sellado, a bajo costo y de fácil uso. Su particular utilidad es prevenir escape o pérdida de fluidos, su absoluta estanqueidad es una de sus importantes características.
Los O’rings tienen múltiples posibilidades de aplicación, que dependiendo del funcionamiento del servicio se clasifican en dos grupos, y que dentro de este ordenamiento surgen subdivisiones que definen claramente su específico uso:
Sellos estáticos: en este grupo de sellos los componentes en contacto son inmóviles (o con movimientos insignificantes), como por ejemplo el sello debajo de una cabeza de remache o tornillo; en el asiento de una válvula con rosca helicoidal, en una unión tubular; debajo de una tapa; en el fondo del cilindro con función de amortiguamiento, que debe absorber el impacto por deformación, para moderar el contacto repentino con el pistón, en este servicio el o’ring debe estar bien apretado e inmóvil para no interferir en el funcionamiento del sistema.
Sellos dinámicos: en esta clase de sellos se observa movimientos (continuos o intermitentes) de acuerdo a la función en el servicio de los componentes en contacto, como por ejemplo los sellos utilizados en pistón y/o vástagos de cilindro que tienen movimientos rectilíneos/vaivén, también son aplicados como sellos neumáticos; de movimientos giratorios como los utilizados en ejes de motores; de movimientos oscilantes usados en grifería, etc.
Como se desprende de lo enunciado, en los sistemas hidráulicos y/o neumáticos se utilizan o’ring con funciones estáticas y dinámicas.
MATERIALES PARA SU FABRICACIÓN
Para su elaboración los compuestos frecuentemente utilizados son los elastómeros, cuyos nombres se definen por el polímero básico:
- Nitrito (NBR)
- Cloropreno (CR)
- Silicona (Si)
- Etileno-propileno (EPDM)
- Fluoro elastómero (FKM) (Viton – marca registrada de Du Pont Co.)
Los o’rings en contacto con productos alimenticios requieren particulares consideraciones:
- Cada componente de una formulación elastomérica debe ser testeado ante posible potencialidad tóxica o cancerígena.
- Todos los componentes del elastómero utilizado no deben transmitir sabor u olor al producto alimenticio.
- Asimismo durante períodos de prolongado contacto, los compuestos del elastómero no deben contaminar o cambiar las características naturales y propias del alimento.
La estandarización de los elastómeros apropiados/autorizados están normalizados por organizaciones nacionales e nternacionales.
En caso de necesidad de uso de estos tipos de elástomeros, rogamos consultar con nuestro Depto. Técnico.
CARACTERÍSTICAS Y GENERALIDADES
CARACTERÍSTICAS Y GENERALIDADES DEL O’RING EN SISTEMA HIDRÁULICO
Su empleo sirve para prevenir fuga o pérdida de un fluido en tipos de servicios que tienden a fomentar tales fugas o perdidas.
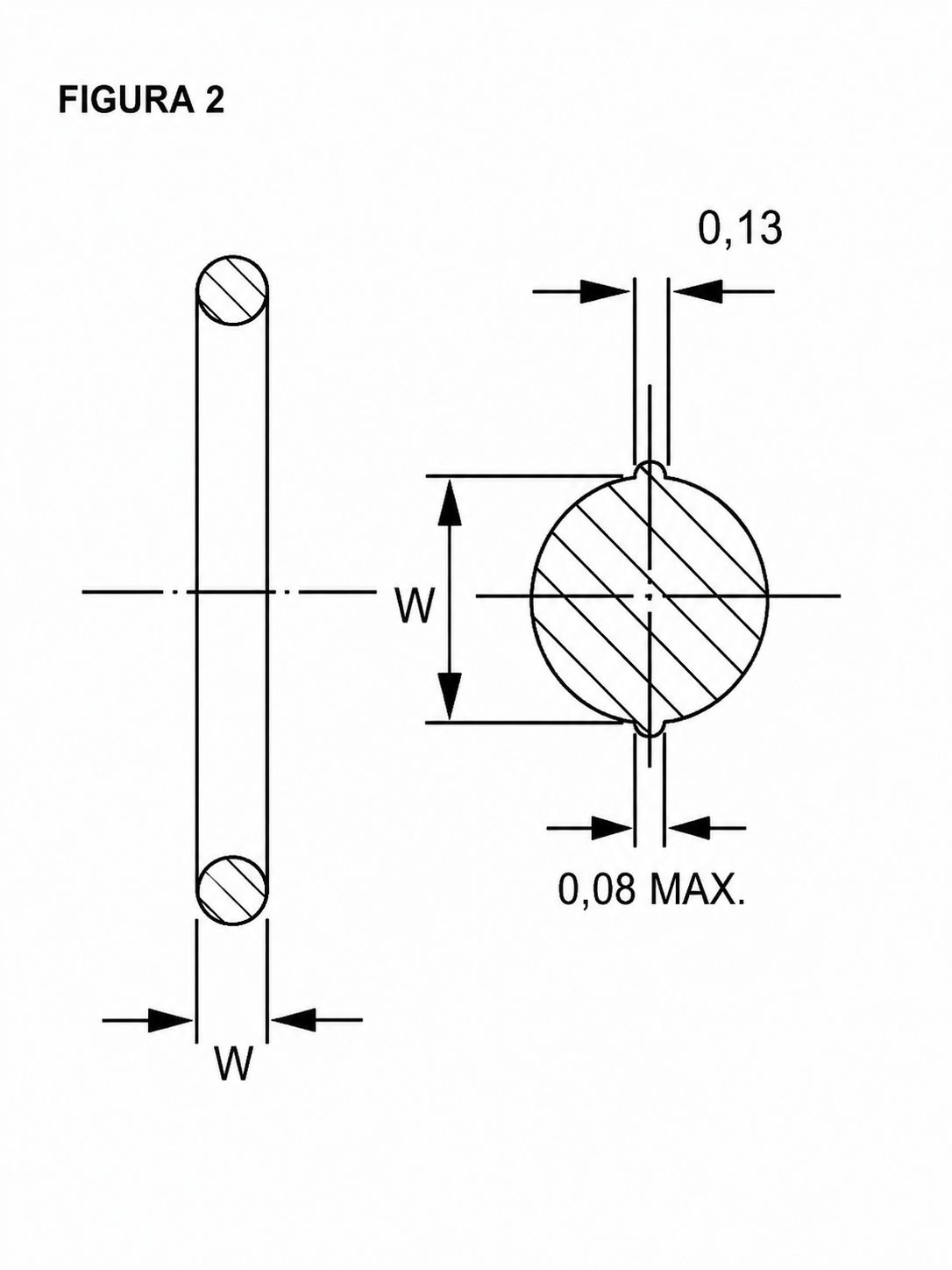
La medida de un o’ring se determina por diámetro interior (DI) y el diámetro de su sección (w) (Figura 1), ambas medidas con sus tolerancias (Cuadro 1).
El o’ring es una junta elástica de compresión, que para que trabaje hay que darle un aplastamiento, que en uso dinámico varía entre 8% al 20% de la sección y en uso estático varía entre 12% al 25%, en ambos usos nunca menor en valor absoluto a 0.25 mm.
Las condiciones básicas para elegir un compuesto son: presión, temperatura y fluido a sellar.
Otros factores a considerar son el alojamiento del sello (ranura) y el cambio repentino de temperatura y presión del fluido en la prestación del servicio, cuando esto sea previsible.
Otra propiedad importante del o’ring se refiere a la dureza, que se mide con el durómetro Shore A.
En la mayor parte de las aplicaciones resultan eficaces los compuestos de dureza 70 Shore A, derivando para otros casos las durezas mayores o menores.
Los o’ring blandos generalmente tienen mejor comportamiento para superficies ásperas, aunque se exponen a desgaste más rápido. La resistencia al desgaste y al rozamiento es mayor entre 70 y 80 Shore A, por lo que se define que a menor o mayor dureza a esas medidas se gastan más rápido.
El estiramiento por presión puede reducirse por disminución del juego o por aplicación de un o’ring más duro o por la utilización con un Respaldo de o’ring de mayor dureza que del o’ring, colocado en el alojamiento (ranura) para conseguir un juego cero.
Los o’ring pueden trabajar perfectamente en pistones y cilindros que funcionan a presiones hidráulicas de hasta 350 kg/cm2. La presión puede ser constante o intermitente. Para presiones de más de 100 kg/cm2, se recomienda la aplicación de Respaldo de o’ring.
La resistencia a la temperatura en servicio continuo es desde -34° C a 121° C, en el uso de compuesto con base de nitrilo (NBR 70 Shore A). Es posible utilizar otros compuestos para el uso continuo de temperaturas bajas o altas y para temperaturas variables entre rangos más abiertos.
MONTAJE
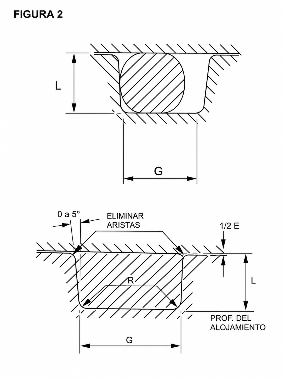
Considerando la tabla para diseño de alojamientos estáticos y dinámicos (Cuadro 2) como guía.
Debe asegurarse que el alojamiento del sello sea compatible para un correcto sellado, con la medida del o’ring y los diámetros del cilindro y del vástago, teniendo en cuenta las tolerancias indicadas.
En el montaje inicial, para la introducción el o’ring se puede estirar hasta un 100% del diámetro interior. En los de diámetros muy pequeños puede estirarse un poco más, requiriendo tiempo para recobrar sus medidas originales antes de cerrar.
Es de vital importancia el chaflán en la camisa y vástago, como así también, evitar el paso sobre aristas y bordes agudos, para no producir daño o rotura del o’ring durante el montaje (Figura 2).

Una vez asentado en su alojamiento, el estiramiento no debe exceder el 7% de su diámetro interior.
En el montaje inicial se recomienda lubricar levemente, resultando adecuado el uso de glicerina, grasa o aceite de silicona.





